産品時間:2025-12-01
FS4001系列小(xiǎo)流量氣體質量(liang)流量傳感器是(shì)專門爲各類小(xiao)流量氣體的測(cè)量和過程控制(zhì)而設計的。這一(yi)系列傳感器均(jun)采用本🌈公司自(zi)主研發的微機(jī)電系統(MEMS)流量傳(chuan)感芯片🏃♂️來制作(zuò),适用于各類清(qing)潔氣體。*的封裝(zhuang)技術使💯之可用(yong)于各類管徑,成(chéng)本低、易安裝、不(bu)需要溫度壓力(lì)補償,可替代容(rong)積式或壓差式(shi)的傳統流量傳(chuán)感器。
産品簡介(jie):
FS4001系列小流量氣(qì)體質量流量傳(chuan)感器 是專門爲(wei)各類小流量氣(qì)體的測量和過(guo)程控制而設計(jì)的。這👈一系列傳(chuan)感器均采用本(běn)公司自主研發(fa)的微機電系統(tong)(MEMS)流量傳感芯片(pian)來制作,适用于(yú)各類🔞清潔氣㊙️體(tǐ)。*的封裝技術🐪使(shi)之可用于各類(lèi)管徑,成本🐇低、易(yi)安裝、不需要溫(wēn)度壓力補償,可(kě)替代💘容積式或(huo)壓差式的傳🙇🏻統(tong)流量傳感器。
産(chǎn)品特點 :
FS4001系(xi)列小流量氣體(ti)質量流量傳感(gan)器
靈敏度高,有(yǒu)小的始動流量(liang)傳感器芯片采(cǎi)用熱質量流量(liang)👨❤️👨計量🔞,無需溫度(du)壓力補償,保證(zheng)了傳感器的💋高(gāo)精🈲度計🌐量在單(dān)個芯片上實現(xian)了多傳感器集(ji)成🔴,使傳感器的(de)量✨程比大大提(ti)高傳感器的零(líng)點穩定度高全(quan)量程高穩定性(xing)全量程高精确(què)度和優良的重(zhòng)複性低功耗低(di)壓損響應時間(jian)快
主要參數:
|
性(xing)能參數 |
FS4001 |
單位 |
|
|
通(tong) 徑 |
1.0 |
1.8 |
mm |
|
大流量 |
30, 100, 200 |
500, 1000 |
SCCM |
|
量程(cheng)比 |
≥100:1 |
|
|
|
精 度 |
±(1.5+0.2FS) |
% |
|
|
重複性(xing) |
0.25 |
%讀數 |
|
|
零點輸出(chu)飄移 |
±30 |
mV |
|
|
輸出飄移(yi) |
±0.12 |
%/oC |
|
|
響應時間 |
4, 8, 16, 33 , 65 , 131 |
mses |
|
|
工作(zuo)電源 |
8~18Vdc,50mA |
|
|
|
輸出方式(shì) |
線性,RS232/模拟電壓(yā)0.5~4.5Vdc |
|
|
|
大流量壓損 |
350 |
300 |
pa |
|
大(dà)工作壓力 |
0.5 |
MPa |
|
|
工作(zuo)溫度 |
-10 ~ +55 |
oC |
|
|
存儲溫度(du) |
-20 ~ +65 |
oC |
|
|
工作濕度 |
<95%RH(無結(jie)冰、無凝露) |
|
|
|
機械(xie)接口 |
可拆式軟(ruan)管接頭 |
|
|
|
校準方(fāng)式 |
空氣(或其他(tā)氣體),20oC,101.325kPa |
|
|
|
重量 |
15 |
g |
|
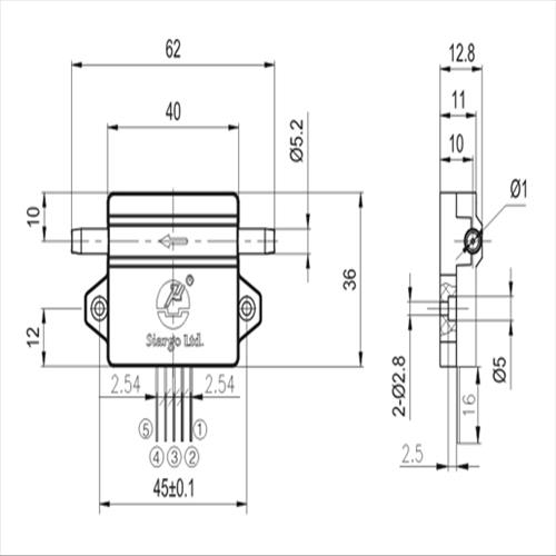
機械(xie)尺寸:
©2024 廣州(zhōu)迪川儀器儀表(biao)有限公司() 版權(quan)所有 總訪問量(liàng):487913 GoogleSitemap
地址:廣州市番(fān)禺區石基鎮前(qián)鋒南路125号恒星(xing)工業園💋東座四(sì)🌂;樓🆚 技術支持:智(zhi)能制造網 管理(li)登陸 備案号:京(jīng)ICP證000000号
廣州迪川(chuān)儀器儀表有限(xian)公司專業提供(gong)FS4001系列小流量✍️氣(qi)體🐉質量流量傳(chuan)感器等産品信(xin)息,歡迎來電咨(zī)🐇詢!
· ·
·
›